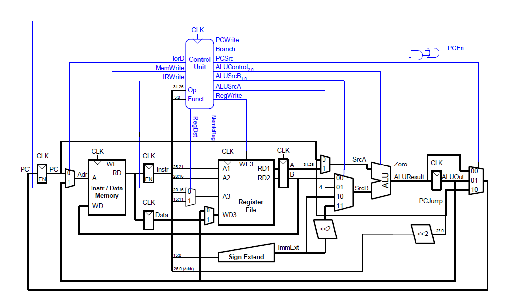
The Diagram
The keys
Symbols Key
Lines Key
Notation Key
- Content Data or Instruction.
Reference/s used
The Professor’s diagram (week 6, slide 62)

Symbols Key
Lines Key
Notation Key
- Content Data or Instruction.
The Professor’s diagram (week 6, slide 62)
